

产品中心
轻型水泵系列
产品特点
JET喷射自吸泵系列结合了离心泵与自吸泵的功能和特点,利用水力喷射原理而实现自吸功能。产品经优化设计,具有吸程大,扬程高的特点。运行平稳,性能可靠,是一种理想的农业家用泵。
工作条件
1、工作介质为无腐蚀性的清水,介质中含砂量的体积比不超过0.10%, 粒度不大于0.20mm。
2、介质温度不超过40℃,介质的PH值在6.5-8.5之间。
3、电源频率为50Hz,电压单相为220V,波动范围为额定值的0.9-1.1倍.
产品用途
JET喷射自吸泵是一种理想的新型高效节能家用泵,广泛用于家庭生活取水、并下抽水.自来水加压、园林浇灌、蔬菜大棚供水.工矿企业及养殖业等
性能参数
|
型号 |
功率 KW |
电压 V |
扬程 m |
吸程 m |
流量 m3/h |
转速 r/min |
频率 HZ |
配管 mm |
|
JET-80 |
0.55 |
220 |
35 |
8 |
2.5 |
2850 |
50 |
25 |
|
JET-80 |
0.75 |
220 |
40 |
8 |
3.5 |
2850 |
50 |
25 |
|
JET-100 |
0.75 |
220 |
45 |
9 |
3 |
2850 |
50 |
25 |
|
JET-100 |
0.85 |
220 |
40 |
9 |
4 |
2850 |
50 |
25 |
|
JET-150 |
1.1 |
220 |
45 |
9 |
4 |
2850 |
50 |
25 |
|
JET-150 |
1.5 |
220 |
50 |
9 |
5 |
2850 |
50 |
25 |
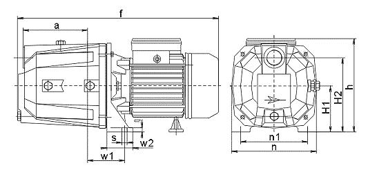
自吸喷射泵尺寸图

JET安装示意图

|
1 |
水塔 |
2 |
水泵 |
3 |
阀门 |
4 |
底阀 |
5 |
自动开关 |
6 |
压力表 |
7 |
水泵 |
|
8 |
水塔 |
9 |
贮水灌 |
10 |
阀门 |
11 |
阀门 |
12 |
水泵 |
13 |
进水口 |
|
|
服务热线
13282868343
15868689588