
产品概述
S型齿轮油泵能降粘度为1-8。E清洁的中性油液(例如:机油,煤油,柴油等矿物油和各种植物油)从一容器输送到另一容器内。它能提高工作效率,减轻劳动强度,因此,适合商业,工业,农业等行业作输油之用。
石油加油站、工矿企业的油库、润滑站和拖拉机站可选用配有三相电机的25、50、125公升/分的输油泵。该泵可在2-8分钟里将一桶存油输入另一个容器。该输油泵具有结构简单、工作可靠、使用维修方便、价格低廉、寿命长。重量轻、噪音小等特点。
商业、食油门市部可选用配有单相电机的10-25公升/分的输油泵,该泵可以很方便地在8-20分钟的时间里将一桶(175公升)存油输入售油的容器。
使用与维修注意事项
1.输油泵能输油液粘度为1-8°E清洁的中性矿物油或植物油,工作温度最好在10-50℃。
2.为保证输油泵正常运转:吸油管端口应离开容器底面5公分以上,以防赃物被吸入。吸油高度最好不超过1米,吸油管长度不得超过4米,若发现不吸油或油量不足,应检查输油泵旋转方向是否正确,管道是否畅通道,吸油管是否漏气。
3.输油泵配有三相电机,或单相电机供用户选用。
4.单相电机起动电流较大,要求供电线路内阻较小。应保证起动时电机接线盒上测出的电压不低于180伏。
性能参数

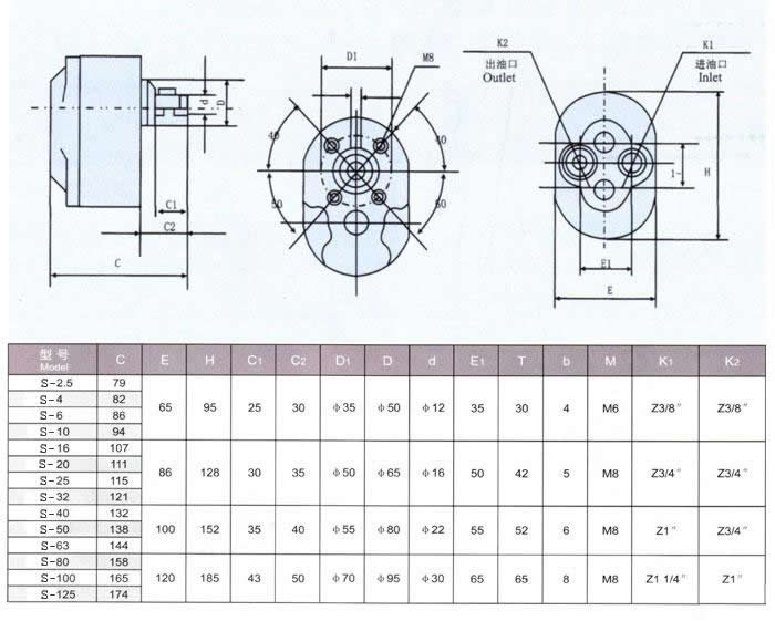
安装尺寸