

产品中心
真空泵系列

一、用途及使用范围
SK-0.4/0.8/1.5B水环真空泵是用来抽吸空气和其它无腐蚀性、不溶于水、不含有固体颗粒的气体,以使在密闭容器中形成真空,吸入气体中允许含少量液体。该类泵广泛应用于机械、石油、化工、制药、食品、陶瓷、制糖、印染、冶金等行业,该型号泵亦可用于大型水泵的引水。
二、工作原理
如图(一)所示,叶轮偏心地安装在泵体内,泵起动时,向泵内注入一定高度的水,当叶轮旋转时,水受离心力的作用而在泵体内壁形成一旋转水环,水环下部内表面与轮毂相切,沿箭头方向旋转时,在前半转过程中,水环内表面逐渐与轮毂脱离,因此在叶片间形成空间并逐渐扩大,内部压力低于入口处压力,此时吸入气体。在后半转过程中,水环内表面逐渐与轮毂靠近,叶片间的空间容积缩小,气体压力高于大气压时被排出。如此叶轮反复工作,泵就连续不断地抽吸气体。
由于在工作过程中,水会随工作时间的延续而发热,同时部分水会与气体一起被排出,因此,工作过程中须不断地向泵内供给冷水,以冷却和补充泵内消耗的水。
图(一) 工作原理图
1、吸气口 2、水环 3、排气阀 4、排气口 5、叶轮

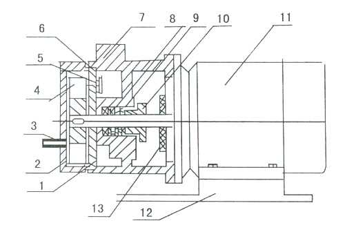
SK-0.4/0.8结构图
1、圆盘 2、泵盖 3、进水管 4、叶轮 5、橡胶球 6、挡板 7、泵体
8、封液环 9、填料 10、填料压盖 11、电机 12、底盘 13、挡水圈

SK-1.5B 结构图
1、泵盖 2、圆盘 3、叶轮 4、紧固螺栓 5、泵体
6、机械密封 7、档圈 8、电机 9、真空调节阀 10、进水嘴
注:真空调节阀的作用:
真空泵在极限真空下工作时, 由于泵内产生物理作用而发生响声,但功率消耗并不增大,可调节真空调节阀,响声即可消除,真空度仍在使用范围内。(700 mm Hg)
三、结构说明
泵结构如图(二)所示,泵由泵盖、圆盘、叶轮、泵体、填料等组成。吸、排气口与圆盘上的吸、排气口相连。轴偏心地安装在泵体内,叶轮固定在轴上,叶轮与泵体上圆盘的间隙由泵盖和圆盘之间的垫来调整,此间隙决定气体在进排气口的流动中损失的大小,填料装在泵体内。泵体上装有圆盘,圆盘排气孔前有圆孔,圆孔由橡皮球阀关闭。当叶轮叶片间气体压力达到排气压力时,在排气口以前将气体自动放出,降低因气体压力过大而产生功率消耗。
四、主要技术指标
|
型号 |
最大气量 |
真空度为-450 mm Hg |
极限真空 |
转速 |
功率 |
水耗量 |
|
|
(M)Pa |
(mm Hg) |
||||||
|
SK-0.4 |
0.4 |
0.36 |
-0.093 |
-700 |
2860 |
1.5 |
1-3 |
|
SK-0.8 |
0.8 |
0.72 |
-0.093 |
-700 |
2860 |
2.2 |
3-5 |
|
SK-1.5B |
1.5 |
1.35 |
-0.096 |
-720 |
2860 |
4 |
5-10 |
注:1、表内数据在下列条件下得出
(1)水温15℃;
(2)气体温度20℃;
(3)气体相对湿度70%;
(4)大气压力0.1013MPa(760mmHg)
2、表内性能指标偏差±5%。
五、性能曲线图表

六、设备安装
泵安装前,转动电机风扇叶片,以证实是否有卡住现象(泵运到安装地点叫包装损坏或存放受潮,以及泵在出厂后八个月再行安装者,应在安装前安部拆开检查清理)。
在供水管路上须安有阀门,以便调整供水量,供水压力宜在0.1MPa左右。
七、超动及停车
长期停车开动前,须转动风扇叶轮片,以证实是否有卡住现象。
起动按以下顺序:
1、关闭进气口阀门;
2、打开排气口阀门;
3、向泵内注入少量水,以技术指标表内水耗量为参考;
4、开动电机;
5、打开进气口阀门;
6、调整供水量,以便消耗最小量的水,保证泵的技术指标。
停车顺序按以下顺序:
1、关闭进气口阀门;
2、关闭电机、同时停止供水;
3、放出泵体内余水。
八、维护
1、应定期检查密封材料,如不能保证所需密封性能时,应更换密封件。
九、泵的拆卸与装配
1、拆卸:
拆卸前将泵中水放出,如密封垫损坏,需更换同样厚度的密封垫。
(1)松开泵盖与泵体间的紧固螺丝;
(2)取下泵盖及圆盘;
(3)松开叶轮紧固螺丝;
(4)取出叶轮;
(5)取下平键;
(6)松开泵体与电机法兰紧固螺丝;
(7)取下泵体;
(8)取出孔用档圈;
(9)取出油封。
2、装配
装配前应将另件清理干净,所有配合面,接触面及螺纹处擦净涂以润滑油。装配顺序与拆卸顺序相反。
装配时应保证园盘与叶轮间的间隙。
| 型号 | 泵盖、圆盘与叶轮端面间隙(mm) |
| SK-0.4 | 0.08~0.10 |
| SK-0.8 | 0.08~0.10 |
| SK-1.5B | 0.08~0.10 |
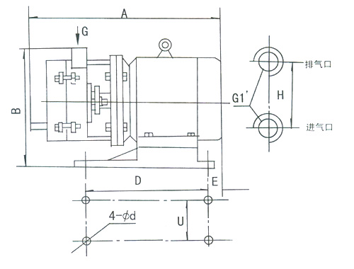
十、外型及安装尺寸
见图(四)

| 型号 | A | B | C | D | E | F | G |
| SK-0.4 | 440 | 250 | 130 | 245 | 54 | 80 | 16 |
| SK-0.8 | 475 | 250 | 130 | 270 | 54 | 80 | 16 |
| SK-1.5B | 501 | 260 | 190 | 140 | 20 | 100 | 12 |
图(四)外型及安装尺寸
服务热线
13282868343
15868689588