

产品中心
真空泵系列
【2BV型水环式真空泵】产品简介:可做304、316不锈钢材质,电机可以配套防爆电机
2BV型水环式真空泵,也为SKA型水环真空泵(简称:2BV真空泵或SKA真空泵、适于抽除气体和水蒸汽。吸气压力可以达到33mbar绝压(97%真空度)。真空泵为机泵同轴的单级泵,轴封采用机械密封,具有结构简单,安装简捷、无油、安全可靠等特点。
【2BV型水环式真空泵】使用范围:
2BV型水环式真空泵及压缩机被广泛用于石油化工、制药、食品、制糖工业等领域,由于在工作过程中,气体的压缩过程是等温的,所以在压缩和抽吸易燃易爆气体时,不易发生危险,其应用更加广泛。
|
2BV型水环式真空泵的主要应用领域 |
||
|
真空过滤 |
(化学制品过滤厂,化学制品处理厂,铁矿厂,采矿业,磷肥厂,造纸厂,家禽加工厂,选煤厂) |
蒸汽回收 |
|
水泵引水 |
||
|
冷凝器水箱补水 |
||
|
真空蒸馏 |
(牛奶厂,食品厂,化工厂,纸浆厂) |
烘干 |
|
真空消毒 |
(医院,医务室,实验室) |
木材处理/干燥 |
|
挤出成型 |
(塑料行业) |
医药/实验室真空 |
|
成型 |
(塑料,聚乙烯,橡胶,轮胎等制造业) |
溶剂回收 |
|
浸渍 |
(食品加工,木器加工,纺织厂,胶合板厂,电线杆的制造等) |
土壤净化 |
|
真空包装 |
||
|
液体脱气 |
(食品加工,水软化,瓶装厂) |
萃取 |
|
压缩空气再生 |
(纸浆,钢铁,汽车,玻璃,化工) |
制革 |
|
食品加工 |
(食品加工厂,牛奶厂) |
罐装 |
【2BV型水环式真空泵】结构及特点:
△ 机泵同轴式直联设计,节省空间,易于安装。
△ 采用机械密封作为标准配置,消除了泄露,维护简便。
△ 运行平稳,噪音可低至62分贝
△ 统一的耐腐蚀设计,青铜叶轮提高了泵的耐腐蚀性,不锈钢材质则更适用于更为苛刻的应用
△ 独特的柔性排气口设计,不会产生过压缩,确保了2BV在其性能范围内效率最佳。
【2BV型水循环真空泵】性能参数:
|
产品型号 |
极限压力 Mbar(Pa) |
大气量 M3/min |
功 率 KW |
转 速 Rpm |
水耗量 L/min |
噪 声 dB(A) |
重 量 Kg |
|
2BV2060 |
33(3300) |
0.45 |
1.1 |
2880 |
~2 |
62 |
20 |
|
2BV2061 |
33(3300) |
0.87 |
1.5 |
2880 |
~2 |
65 |
22 |
|
2BV2070 |
33(3300) |
1.33 |
2.35 |
2880 |
~2.5 |
66 |
31 |
|
2BV2071 |
33(3300) |
1.83 |
3.85 |
2880 |
~4.2 |
72 |
42 |
|
2BV5110 |
33(3300) |
2.75 |
4 |
1450 |
~7 |
63 |
78 |
|
2BV5111 |
33(3300) |
3.83 |
5.5 |
1450 |
~8.5 |
68 |
100 |
|
2BV5121 |
33(3300) |
4.68 |
7.5 |
1450 |
~10 |
69 |
145 |
|
2BV5131 |
33(3300) |
6.68 |
11 |
1450 |
~15 |
73 |
165 |
|
2BV5161 |
33(3300) |
8.3 |
15 |
970 |
~20 |
74 |
252 |
|
2BV6110 |
33(3300) |
2.75 |
4 |
1450 |
~7 |
63 |
107 |
|
2BV6111 |
33(3300) |
3.83 |
5.5 |
1450 |
~8.5 |
68 |
142 |
|
2BV6121 |
33(3300) |
4.68 |
7.5 |
1450 |
~10 |
69 |
198 |
|
2BV6131 |
33(3300) |
6.68 |
11 |
1450 |
~15 |
73 |
238 |
|
2BV6161 |
33(3300) |
8.3 |
15 |
970 |
~20 |
74 |
350 |
注:1、表中所列数据在下列技术条件下测出:
① 大气压力101325Pa(1013mbar)
② 进水温度15℃
③ 吸入空气温度20℃
④ 空气相对湿度70%
2、性能允许偏差±10%
【2BV型水环式真空泵】性能曲线图:

【2BV型水环式真空泵】选型示例:
①设计点参数:
吸气量V=100m3/h
吸气压力P1=40mbara
②其余参数同标准状态(见注)
选择与设计点①最接近的一条曲线
③本例中为71V
根据曲线编号查出相应的产品型号
(即定货号,但仅限于标准型)如本例中可从71V查得泵型为2BV2071-ONC06-IP
注:该性能曲线是在吸入介质为20℃的饱和空气,工作液温度过15℃,排气压力1013mba的状态下得到的。性能允许差±10%。图中左侧为配用大气喷射器的性能曲线。
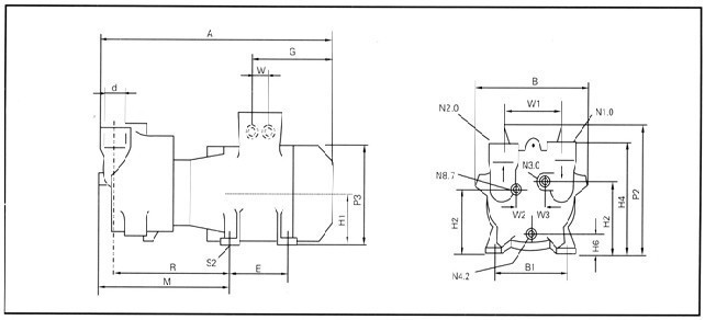
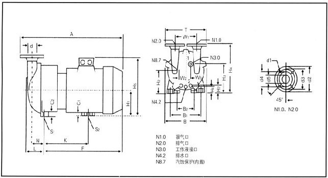
【2BV型水环式真空泵】安装尺寸图:
2BV2外形尺寸图(单位:mm):

| 型号 | 曲线编号 | A | B | B1 | E | H1 | H2 | H3 | H4 | H6 | M | P2 | P3 |
| 2BV2-060 | 60V | 455 | 186 | 140 | 100 | 90 | 118 | 126 | 195 | 37.5 | 244 | 250 | 180 |
| 2BV2-061 | 61V | 476 | 186 | 140 | 100 | 90 | 118 | 195 | 195 | 37.5 | 263 | 250 | 180 |
| 2BV2-070 | 70V | 545 | 223 | 160 | 140 | 222 | 100 | 128 | 222 | 33 | 280 | 270 | 203 |
| 2BV2-071 | 71V | 566 | 223 | 234 | 190 | 140 | 112 | 140 | 234 | 45 | 309 | 300 | 225 |
| 型号 | 曲线编号 | R | S2 | W1 | W2 | W3 | d | N3.0 | N4.2 | N8.7 |
| 2BV2-060 | 60V | 217 | φ10 | 110 | 25.5 | 21 | G1 | G3/877 | G1/4" | G3/8” |
| 2BV2-061 | 61V | 236 | φ10 | 110 | 25.5 | 21 | G1 | G3/877 | G1/4" | G3/8” |
| 2BV2-070 | 70V | 252 | φ12 | 110 | 33 | 27 | G11/2" | G3/877 | G1/4" | G3/8” |
| 2BV2-071 | 71V | 278 | φ12 | 110 | 33 | 27 | G11/2" | G3/877 | G1/4" | G3/8” |
2BV5外形尺寸图(单位:mm):

| 型号 | 曲线编号 | A | B | B1 | B2 | C1 | C2 | H1 | H2 | H3 | H4 | H5 | H6 | H7 | K | L |
| 2BV5110-OKC | 101V | 637 | 325 | 255 | 190 | 41 | 26 | 140 | 156 | 202 | 361 | 328 | 38 | 57 | 342 | 130 |
| 2BV5111-0KC | 111V | 672 | 325 | 265 | 216 | 38 | 26 | 150 | 166 | 212 | 371 | 363 | 48 | 68 | 348 | 130 |
| 2BV5121-OKC | 121V | 771 | 347 | 265 | 216 | 36 | 26 | 150 | 167 | 217 | 385 | 363 | 39 | 60 | 430 | 147 |
| 2BV5131-OKC | 131V | 852 | 377 | 300 | 254 | 35 | 30 | 175 | 194 | 249 | 427 | 435 | 53 | 76 | 477.5 | 147 |
| 2BV5161-0KC | 161V | 1044 | 479 | 370 | 389 | 52 | 30 | 210 | 225 | 303 | 521 | 485 | 51 | 80 | 570 | 201 |
| 型号 | 曲线编号 | F | N | S1 | S92 | T | d1 | d2 | d3 | d4 | d5 |
| 2BV5110-0KC… | 101V | 464 | 92 | φ12X23 | φ12 | 340 | 19 | 160 | 123 | 97 | 52 |
| 2BV5111-OKC… | 111V | 500 | 92 | φ12X23 | φ12 | 340 | 19 | 160 | 123 | 97 | 52 |
| 2BV5121-0KC… | 121V | 584 | 97 | φ12X23 | φ12 | 382 | 19 | 182 | 142 | 113 | 66.5 |
| 2BV5131-OKC… | 131V | 658,5 | 103 | φ12X23 | φ14 | 382 | 19 | 182 | 142 | 113 | 66.5 |
| 2BV5161-OKC… | 161V | 808 | 138 | φ15×27 | φ14 | 450 | 22 | 200 | 156 | 130 | 80 |
| 型号 | 曲线编号 | W1 | W2 | W3 | "d(N1.0,N2.0)" | N3.0 | N4.2 | N8.7 |
| 2BV5110-OKC… | 101V | 180 | 52 | 27 | "DN50/2” | G3/4" (丝长24) | G3/8" (丝长25) | G3/8" (丝长11) |
| 2BV5111-OKC… | 111V | 180 | 52 | 27 | "DN50/2” | G3/4"(丝长24) | G3/8" (丝长25) | G3/8" (丝长11) |
| 2BV5121-OKC… | 121V | 200 | 57 | 29 | "DN65/21/2” | G3/4" (丝长24) | G3/8" (丝长25) | G3/8" (丝长11) |
| 2BV5131-OKC… | 131V | 200 | 62.5 | 32 | "DN65/21/2” | G3/4" (丝长24) | G3/8"(丝长25) | G3/8" (丝长11) |
| 2BV5161-OKC… | 161V | 250 | 81 | 41 | "DN80/3" | G3/4" (丝长24) | G3/8" (丝长25) | G3/8" (丝长11) |
服务热线
13282868343
15868689588